808 hihats need some help

This is from http://www.ericarcher.net/wp-content/uploads/2014/07/tr-808-hihat-diy-project-revised-dec-2009.pdf:

You probably have that but there it is. I don’t see any reason why you would need to add a buffer, there’s 39k to a virtual ground which should not be hard to drive. In yours there’s 100k to ground which isn’t that big a difference. Why is that 100k pulldown there, by the way? I’d say revert to the original and measure the emitter voltage on T12 (your Q13), verify it doesn’t change much when connected to C23 and R54. If it does that’s surprising to me.

1 Like

Yeah, that is the schematic I am using as a blueprint. :slight_smile: The 100k pulldown is weird, I know, but without it, things are really crazy

Orange is before C11(C23 in Eric Archer’s), Blue is at the non inverting input of U5 and red is the output of the voltage buffer…

1 Like

Another issue came up. If I compute the frequencies from the 40106 from the datasheet

I get

R, C, f_datasheet, f_LTspice
300.0 22.0 186.521 230
270.0 18.0 253.300 317
220.0 18.0 310.868 387
680.0 10.0 181.035 227
560.0 10.0 219.828 225
560.0 18.0 122.126 273

Which is quite different!

Below is my python code (it does not print the values from LTspice, I added them by hand) to compute the frequencies. Any obvious mistakes? why is there such a difference?
In LTspice I used VDD =5V as a well.

#!/usr/bin/env python3

import numpy as np


def cd40106_astable_vibrator_freq(R, C, Vdd=5, Vp=2.9, Vn=1.9,):
    """
    from the dataset
    returns frequency in Hz
    """
    t_a = R * C * np.log(Vp/Vn * ((Vdd-Vn)/(Vdd-Vp)))
    # print(Vp/Vn * ((Vdd-Vn)/(Vdd-Vp)))
    # print(np.log(Vp/Vn * ((Vdd-Vn)/(Vdd-Vp))))
    return 1/t_a


# kohm and nF
R_C_combos_in_808 = [
    [300, 22],
    [270, 18],
    [220, 18],
    [680, 10],
    [560, 10],
    [560, 18],
]

lowest = R_C_combos_in_808[-1]
print("R, C, f, ratio")
for combo in R_C_combos_in_808:
    R = combo[0] * 1000  # kiloohm to ohm
    C = combo[1] * 1e-9  # nF to F
    f = cd40106_astable_vibrator_freq(R, C)
    ratio = f / cd40106_astable_vibrator_freq(lowest[0]*1000, lowest[1]*1e-9)
    print(R/1000, C/1e-9, f, ratio)

1 Like

What does your LTSpice model look like?
Does it use the same Vp and Vn?
In the datasheet I have it looks like Vn can range from 0.9 to 1.9 and Vp from 2.9 to 3.6.
Maybe try messing with those values?

Just remember, in theory there is no difference between theory and reality, in reality there is…

3 Likes

I use a „standard“ 40xxx library I got somewhere xD The only thing that found I can change is Vdd, so I thought that would determine Vp and Vn, but I should check that!

Whatever Vp and Vn and Vdd are, they presumably are not dependent on R or C. So t_a should be proportional to RC — and for LTspice it’s not:

R C f_datasheet f_LTspice RC t_a_datasheet t_a_LTspice t_a_datasheet/RC t_a_LTspice/RC
300 22 186.521 230 0.0066 0.00536 0.00435 0.812 0.659
270 18 253.3 317 0.00486 0.00395 0.00315 0.812 0.649
220 18 310.868 387 0.00396 0.00322 0.00258 0.812 0.653
680 10 181.035 227 0.0068 0.00552 0.00441 0.812 0.648
560 10 219.828 225 0.0056 0.00455 0.00444 0.812 0.794
560 18 122.126 273 0.01008 0.00819 0.00366 0.812 0.363

The ratio of t_a from LTspice to RC varies by more than a factor of two, and is less than the datasheet values by factors of between one and more than two. In particular, for R = 560, f should nearly halve when C goes from 10 to 18, and instead it increases by about 25%. For the other R values the ratio is nearly constant, consistent with different Vn and Vp values, but for R = 560, I don’t believe the LTspice values.

But a few minutes with a breadboard should answer the question, no?

Depends on VDD, for 5 V, Vp is min 2.2, typ 2.9, max 3.6. For VDD = 10 V it’s about double that.

1 Like

Man! you’re a genius!
I just checked my simulation again and I had different values for C (10nF instead of 18nF) for the R=560k cases! What was I doing? xD
So, now I need to check what’s up with the Vn and Vp in my simulation (and check back on the breadboard!)

1 Like

Datasheet says Vn can be in the range 0.9 to 2.8, Vp in the range 2.2 to 3.6. Presumably they don’t vary independently or otherwise you could have Vn > Vp, but even so t_a/RC probably has a fairly big range, certainly 0.81 to 0.65 seems possible:

Vdd 5
Vn
Vp 0.9 1.9 2.8
2.2 1.275 0.248 -0.482
2.9 1.839 0.812 0.082
3.6 2.461 1.434 0.703

There’s not enough information in the datasheet to know how likely such a difference from one chip to another is, though. Bottom line is, if the frequencies are critical, then you probably should use trimmers. But in Eric Archer’s schematics it doesn’t look like frequencies are specified, just fixed component values, so who knows what frequencies you’re really aiming for?

1 Like

You’re probably right, maybe this does not matter at all for the purpose of getting this kind of metallic noise! I also found quite a number of different frequencies for the noise depending on the source, even if they all claim it’s a 808 hihat :wink:
I was mostly confused because the simulation did not fit the datasheet.
Now I tested two combination on breadboard as well and they are also different, ofc:

R(kohm) C(nF) t_a_datasheet t_a_measured t_a_measured/RC
300 22 0.00536 0.00877 1.3287
556 10 0.00452 0.00666 1.1978

I think t_a_measured/RC should all be the same, but with only two values it’s not a great dataset :wink: I might test more combination, but maybe I will just leave it at that and hope that it will somehow sound good (maybe I add optional footprints for trimmers for the resistors if there is space).

2 Likes

I tried to replace the 808 transistor filter with an opamp equivalent:

Looks close to me, but I still need to check the audio…

I am still wondering, if I should replace the original swing type VCA with the OTA. It might or might not be a simpler design…

This is the original with a bit more gain at the end:

And here my OTA based version (it would still need the (Sallen Key) filter)

It looks like the OTA is less components overall, but it uses 3 opamp stages (6 for open and closed hihat) plus the OTA, where the original only needs 2 opamp stages (4 for open and closed)

The waveform is a bit nicer (=more symmetrical) for the OTA version, but is that important? Even audible?

Hmm… I should probably test both on the breadboard as well, but that is just too much breadboarding for me! xD

3 Likes

yes this document look very Nice !! have you test the clap ? I want to build it too, and it is the more simple schematic I have found.

The hi-hat part look nice too, it really look like the dr-110’s version.

2 Likes

your modifications look really nice, Im curious to ear your version.
In my version I think that the decay time is too short, maybe I go modify that but I’m really lazy for moment… ^^

2 Likes

Another issue: I want to visualize the envelope with leds. Very, simple it should just be on as long as the envelope is high, not need for linear relationship, just to have a visual indication of what’s happening. Can I simply use a transistor like this:

Screenshot from 2022-01-01 18-08-13

Or will this have a low enough impedance that it will change the envelope? I know that I can use an opamp, but that seems a bit overkill… I have used this transistor circuit already, but only for the trigger part of a circuit, but I want it showing the envelope now :slight_smile:

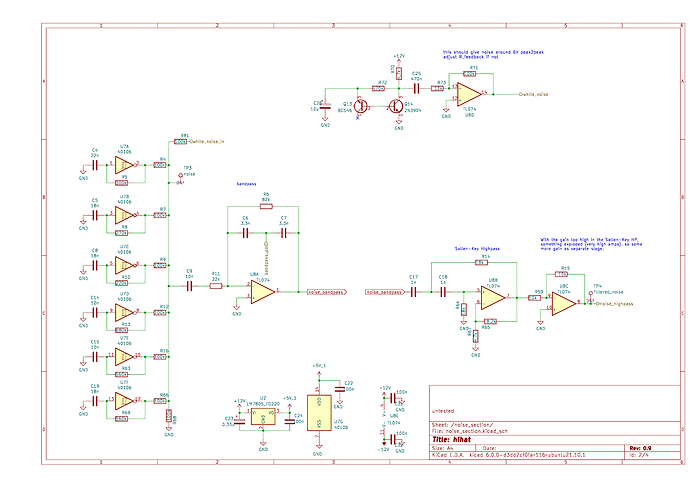
I am pretty far, I think! Here come the schematics. If you see anything suspicious, tell me :slight_smile:
I still need to do the pcb and also adjust some resistors to get a good response from the potentiometers,
but I might just socket those (around the VCA and the noise mixing) and then test with the real board… or I might do some more simulations xD




4 Likes

panel update:

9 Likes

wow man this is a really nice project !!

does it working good ?
It look like the 606 and Dr-110 HH circuits; your modifications looks so great !!

3 Likes

Thank you! Does it work? I don’t know! I still have to order the pcbs and then build it, so far it’s all theory and simulation xD

4 Likes

image

It does work!! Some minor fixes had to be done, the big one was switching the jack sockets for open and closed hat xD
Is it a lot better than the simple 2 transistor stripboard hihat? Maybe…? I guess so, at least it’s a lot louder :wink: I will make some demo sounds in the next day and publish everything on GitHub!

10 Likes

that look so awesome! nice panel !
curious to hear it… keep us informed, thank you !! :wink:

4 Likes

sweet baby jesus! it’s beautiful!

2 Likes